Prodam - kupim
Moderatorji: gabrijel, Ciril
-
Gost
Odgovor
Napisal/-a Gost »
občasno ni zvoka na vseh izvorih ,je imel gdo že takšen primer lp
-
Jordan Čebron
- Prispevkov: 5123
- Pridružen: Po Jan 16, 2006 5:59 pm
- Kraj: Jordan Čebron S.P. RTV servis popravila na domu - Cankarjeva 11 NOVA GORICA GSM 041 390 887
Odgovor
Napisal/-a Jordan Čebron »
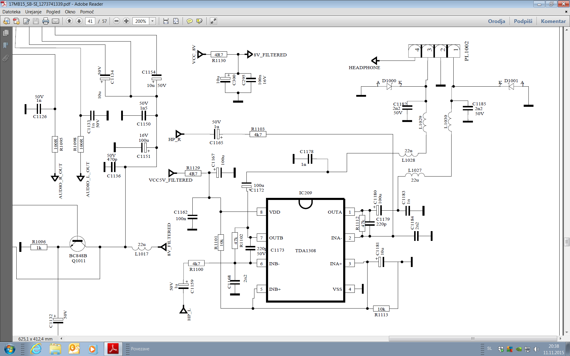
SMD kondenzatorji 1uF na matični plošči
CARPE DIEM,
QUAM MINIMUM CREDULA POSTERO.
(Izkoristi dan, ne zanašaj se na jutrišnjega)
Kvint Horacij Flak
Pozdrav Jordan
-
Gost
Odgovor
Napisal/-a Gost »
okoli tonskega ali vse lp
-
Jordan Čebron
- Prispevkov: 5123
- Pridružen: Po Jan 16, 2006 5:59 pm
- Kraj: Jordan Čebron S.P. RTV servis popravila na domu - Cankarjeva 11 NOVA GORICA GSM 041 390 887
Odgovor
Napisal/-a Jordan Čebron »
C-1165 in C-1159 oba 1uF/50V ---SMD v obliki ploščice
-
Priponke
-

CARPE DIEM,
QUAM MINIMUM CREDULA POSTERO.
(Izkoristi dan, ne zanašaj se na jutrišnjega)
Kvint Horacij Flak
Pozdrav Jordan